產品目錄
蒸汽流量計
渦街流量計
孔板流量計
壓縮空氣流量計
氣體流量計
熱式氣體質量流量計
旋進旋渦流量計
金屬管浮子流量計
氣體羅茨流量計
電磁流量計
渦輪流量計
橢圓齒輪流量計
水流量計
液體流量計
超聲波流量計
磁翻板液位計
浮子液位計
浮球液位計
玻璃管液位計
雷達液位計
超聲波液位計
投入式液位計
壓力變送器
差壓變送器
液位變送器
溫度變送器
熱電偶
熱電阻
雙金屬溫度計
相關產品
聯系我們
聯系電話:13655235852
服務熱線:0517-86801009
公司傳真:0517-86801007
公司郵箱:1464856260@qq.com
公司地址:江蘇省金湖縣理士大道61號
煤氣流量計怎么接線圖
煤氣流量計兩線制4-20mA輸出功能接線說明

煤氣流量計三線制4-20mA電流輸出

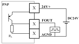
煤氣流量計脈沖輸出接線圖

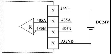
煤氣流量計RS485輸出接線圖

煤氣流量計IC卡信號接線說明

煤氣流量計三線制供電報警輸出

說明:
1、默認低電平,高電平有效,高電平>2.8V,低電平<0.2V,脈沖寬度可設,詳見菜單說明。
2、任意供電下均有IC卡信號輸出。
下一篇:氮氣流量計的選型參數
上一篇:煤氣流量計測量原理及結構

