產品目錄
蒸汽流量計
渦街流量計
孔板流量計
壓縮空氣流量計
氣體流量計
熱式氣體質量流量計
旋進旋渦流量計
金屬管浮子流量計
氣體羅茨流量計
電磁流量計
渦輪流量計
橢圓齒輪流量計
水流量計
液體流量計
超聲波流量計
磁翻板液位計
浮子液位計
浮球液位計
玻璃管液位計
雷達液位計
超聲波液位計
投入式液位計
壓力變送器
差壓變送器
液位變送器
溫度變送器
熱電偶
熱電阻
雙金屬溫度計
相關產品
聯系我們
聯系電話:13655235852
服務熱線:0517-86801009
公司傳真:0517-86801007
公司郵箱:1464856260@qq.com
公司地址:江蘇省金湖縣理士大道61號
天然氣流量計量表
天然氣流量計量表產品概述

天然氣流量計量表參數
1、溫度范圍:壓電式 -40℃ ~ 350℃ 電容式 -60℃ ~ 450℃
2、壓力規格:PN1.6Mpa; PN2.5Mpa; PN4.0Mpa ,更高壓力規格可特殊定做
3、范 圍 度:正常范圍1:10 擴展后范圍1:15
4、壓力損失系數:Cd≤2.6
5、系統測量精度:液體、氣體 示值的±1%,蒸汽 示值的±1.5%,插入式流量計 示值的±2.5%
6、供電電壓:傳感器 +12VDC 或+24VDC 變送器 +24VDC 現場顯示型 儀表自帶3.6V鋰電池
7、輸出信號:傳感器 脈沖頻率信號0.1 ~ 3000Hz 低電平≤1V 高電平≥6V 變送器 兩線制4 ~ 20mA.DC電流信號
8、允許振動加速度:壓電式 ≤0.2g 電容式 ≤1.0g
9、環境溫度:傳感器 -30℃ ~ 65℃,變送器、現場顯示 -10℃ ~ 50℃
10、環境濕度:相對濕度5 ~ 85%
11、信號遠傳距離:≤500m
12、信號線接口:內螺紋M20×1.5
13、直管段長度:上游≥10D 下游≥5D
14、防爆等級:( ia )ⅡCT2 - T5本安防爆
15、防護等級:普通型 IP65 潛水型IP68
16、儀表材質:儀表外殼采用鋁合金,表體部分采用不銹鋼304材質,也可根據用戶要求采用特殊
天然氣流量計量表流量范圍

天然氣流量計量表的配線設計
一. 輸出頻率信號的三線制渦街流量計配線設計
輸出頻率信號的三線制流量傳感器采用DC24V或DC12V電源供電,一般通過三芯屏蔽電纜線(RWP3×0.5mm)與顯示儀表或計算機相連,屏蔽層應可靠地接到放大器殼的接地螺絲上。屏蔽電纜線的選擇應適合現場環境要求,另外屏蔽電纜線要與其它強功率電力線分離,不能平行走線。傳感器端子接線見圖

二.輸出標準4~20mA電流信號的兩線制渦街流量計配線設計
輸出標準4~20mA電流信號的兩線制變送器采用DC24V電源供電,一般通過兩芯屏蔽電纜線(RWP3×0.5mm)與顯示儀表或計算機相連,屏蔽層應可靠地接到放大器殼的接地螺絲上。屏蔽電纜線的選擇應適合現場環境要求,另外屏蔽電纜線要與其它強功率電力線分離,不能平行走線。變送器端子接線見圖

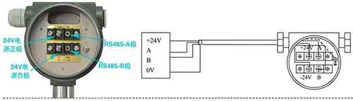
三.帶RS-485通訊接口功能的渦街流量計配線設計
帶RS-485通訊功能的渦街流量計采用DC24V電源供電,與其它設備之間采用四線制傳輸方式。儀表端子接線見圖

天然氣流量計量表的安裝設計
儀表的正確安裝是保障儀表正常運行的重要環節,若安裝不當,輕則影響儀表的使用精度,重則會影響儀表的使用壽命,甚至會損壞儀表。
安裝環境要求:
盡可能避開強電設備、高頻設備、強開關電源設備。儀表的供電電源盡可能與這些設備分離。
避開高溫熱源和輻射源的直接影響。若必須安裝,須有隔熱通風措施。
避開高濕環境和強腐蝕氣體環境。若必須安裝,須有通風措施。
渦街流量儀表應盡量避免安裝在振動較強的管道上。若必須安裝,須在其上下游2D處加設管道緊固裝置,并加防振墊,加強抗振效果。
儀表安裝在室內,安裝在室外應注意防水,特別注意在電氣接口處應將電纜線彎成U形,避免水順著電纜線進入放大器殼內。
儀表安裝點周圍應該留有較充裕的空間,以便安裝接線和定期維護。
儀表管道安裝要求:
渦街流量儀表對安裝點的上下游直管段有一定要求,否則會影響介質在管道中的流場,影響儀表的測量精度。儀表的上下游直管段長度要求見圖(三) DN為儀表公稱口徑 單位:mm

注:調節閥盡可能不安裝在渦街流量儀表的上游,而應安裝在渦街流量儀表的下游10D處。
上、下游配管內徑應相同。如有差異,則配管內徑Dp與渦街儀表表體內徑Db,應滿足以下關系
0.98Db≤Dp≤1.05Db
上、下游配管應與流量儀表表體內徑同心,它們之間的不同軸度應小于0.05Db
儀表與法蘭之間的密封墊,在安裝時不能凸入管內,其內徑應比表體內徑大1-2mm
測壓孔和測溫孔的安裝設計。被測管道需要安裝溫度和壓力變送器時,測壓孔應設置在下游3-5D處,測溫孔應設置在下游6-8D處,見圖(七)。D為儀表公稱口徑,單位:mm
儀表在在管道上可以水平、垂直或傾斜安裝。
測量氣體時,在垂直管道安裝儀表,氣體流向不限。但若管道內含少量液體,為了防止液體進入儀表測量管,氣流應自下而上流動,如圖(四)a所示
測量液體時,為了保證管內充滿液體,所以在垂直或傾斜管道安裝儀表時,應該保證液體流動方向從下而上。若管道內含少量氣體,為了防止氣體進入儀表測量管,儀表應安裝在管線的較低處
如圖(四)b所示

測量高溫、低溫介質時,應注意保溫措施。轉換器內部(表頭殼體內)高溫一般不應超過70℃;低溫易使轉換器內部出現凝露,降低印制電路板的絕緣阻抗,影響儀表正常工作。

天然氣流量計量表的工作原理
渦街流量計是由設計在流場中的旋渦發生體、檢測探頭及相應的電子線路等組成。當流體流經旋渦發生體時,它的兩側就形成了交替變化的兩排旋渦,這種旋渦被稱為卡門渦街。

斯特羅哈爾在卡門渦街理論的基礎上又提出了卡門渦街的頻率與流體的流速成正比,并給出了頻率與流速的關系式:
f = St × V/d
式中:f 渦街發生頻率 (Hz)
V旋渦發生體兩側的平均流速(m/s )
St 斯特羅哈爾系數(常數)
d-旋渦發生體的寬度 (m)
由此可見,通過測量卡曼渦街分離頻率便可算出瞬時流量。其中,斯特羅哈爾數(St)是無因次未知數,
圖(二)表示斯特勞哈爾數(St)與雷諾數(Re)的關系。

這些交替變化的旋渦就形成了一系列交替變化的負壓力,該壓力作用在檢測探頭上,便產生一系列交變電信號,經過前置放大器轉換、整形、放大處理后,輸出與旋渦同步成正比的脈沖頻率信號或標準信號。
在流體管道中,垂直插入—個柱形阻擋物,在其后部(相對于流體流向)兩側就會交替地產生旋渦。隨著流體向下游流動形成旋渦列,我們稱之為卡門渦街。我們把產生旋渦的柱形阻擋物定義為旋渦發生體在一定條件下旋渦的分離頻率與流體的流速成線性關系。因而,只要檢測出旋渦分離的頻率,即可計算出管道內流體的流速或流量。
天然氣流量計量表產品優勢
1、表體中同時集成溫壓補償補償功能,可測量流體的標準體積流量或標準質量流量。
2、全智能化、數字化電路設計,可自動補償被測流體密度或標況體積計算。
3、全新的數字濾波和修正功能使流量測量更加精準可靠。
4、電池供電型無需外接電源既可連續工作兩年以上。
5、全新點陣漢字液晶顯示,使用操作更方便。

天然氣流量計量表安裝尺寸

渦街流量計是根據卡門渦街原理研究生產的,主要用于工業管道介質流體的流量測量,如氣體、液體、蒸汽等多種介質。其特點是壓力損失小,量程范圍大,精度高,在測量工況體積流量時幾乎不受流體密度、壓力、溫度、粘度等參數的影響。無可動機械零件,因此可靠性高,維護量小。儀表參數能長期穩定。渦街流量計采用壓電應力式傳感器,可靠性高,可在-20℃~+250℃的工作溫度范圍內工作。有模擬標準信號,也有數字脈沖信號輸出,容易與計算機等數字系統配套使用,是一種比較先進、理想的測量儀器。
渦街流量計廣泛適用于石油、化工、冶金、熱力、紡織、造紙等行業對過熱蒸汽、飽和蒸汽、壓縮空氣和一般氣體(氧氣、氮氣氫氣、天然氣、煤氣等) 、水和液體(如:水、汽油、酒精、苯類等)的計量和控制。

天然氣流量計量表參數
1、溫度范圍:壓電式 -40℃ ~ 350℃ 電容式 -60℃ ~ 450℃
2、壓力規格:PN1.6Mpa; PN2.5Mpa; PN4.0Mpa ,更高壓力規格可特殊定做
3、范 圍 度:正常范圍1:10 擴展后范圍1:15
4、壓力損失系數:Cd≤2.6
5、系統測量精度:液體、氣體 示值的±1%,蒸汽 示值的±1.5%,插入式流量計 示值的±2.5%
6、供電電壓:傳感器 +12VDC 或+24VDC 變送器 +24VDC 現場顯示型 儀表自帶3.6V鋰電池
7、輸出信號:傳感器 脈沖頻率信號0.1 ~ 3000Hz 低電平≤1V 高電平≥6V 變送器 兩線制4 ~ 20mA.DC電流信號
8、允許振動加速度:壓電式 ≤0.2g 電容式 ≤1.0g
9、環境溫度:傳感器 -30℃ ~ 65℃,變送器、現場顯示 -10℃ ~ 50℃
10、環境濕度:相對濕度5 ~ 85%
11、信號遠傳距離:≤500m
12、信號線接口:內螺紋M20×1.5
13、直管段長度:上游≥10D 下游≥5D
14、防爆等級:( ia )ⅡCT2 - T5本安防爆
15、防護等級:普通型 IP65 潛水型IP68
16、儀表材質:儀表外殼采用鋁合金,表體部分采用不銹鋼304材質,也可根據用戶要求采用特殊
天然氣流量計量表流量范圍

天然氣流量計量表的配線設計
一. 輸出頻率信號的三線制渦街流量計配線設計
輸出頻率信號的三線制流量傳感器采用DC24V或DC12V電源供電,一般通過三芯屏蔽電纜線(RWP3×0.5mm)與顯示儀表或計算機相連,屏蔽層應可靠地接到放大器殼的接地螺絲上。屏蔽電纜線的選擇應適合現場環境要求,另外屏蔽電纜線要與其它強功率電力線分離,不能平行走線。傳感器端子接線見圖

二.輸出標準4~20mA電流信號的兩線制渦街流量計配線設計
輸出標準4~20mA電流信號的兩線制變送器采用DC24V電源供電,一般通過兩芯屏蔽電纜線(RWP3×0.5mm)與顯示儀表或計算機相連,屏蔽層應可靠地接到放大器殼的接地螺絲上。屏蔽電纜線的選擇應適合現場環境要求,另外屏蔽電纜線要與其它強功率電力線分離,不能平行走線。變送器端子接線見圖

三.帶RS-485通訊接口功能的渦街流量計配線設計
帶RS-485通訊功能的渦街流量計采用DC24V電源供電,與其它設備之間采用四線制傳輸方式。儀表端子接線見圖

天然氣流量計量表的安裝設計
儀表的正確安裝是保障儀表正常運行的重要環節,若安裝不當,輕則影響儀表的使用精度,重則會影響儀表的使用壽命,甚至會損壞儀表。
安裝環境要求:
盡可能避開強電設備、高頻設備、強開關電源設備。儀表的供電電源盡可能與這些設備分離。
避開高溫熱源和輻射源的直接影響。若必須安裝,須有隔熱通風措施。
避開高濕環境和強腐蝕氣體環境。若必須安裝,須有通風措施。
渦街流量儀表應盡量避免安裝在振動較強的管道上。若必須安裝,須在其上下游2D處加設管道緊固裝置,并加防振墊,加強抗振效果。
儀表安裝在室內,安裝在室外應注意防水,特別注意在電氣接口處應將電纜線彎成U形,避免水順著電纜線進入放大器殼內。
儀表安裝點周圍應該留有較充裕的空間,以便安裝接線和定期維護。
儀表管道安裝要求:
渦街流量儀表對安裝點的上下游直管段有一定要求,否則會影響介質在管道中的流場,影響儀表的測量精度。儀表的上下游直管段長度要求見圖(三) DN為儀表公稱口徑 單位:mm

注:調節閥盡可能不安裝在渦街流量儀表的上游,而應安裝在渦街流量儀表的下游10D處。
上、下游配管內徑應相同。如有差異,則配管內徑Dp與渦街儀表表體內徑Db,應滿足以下關系
0.98Db≤Dp≤1.05Db
上、下游配管應與流量儀表表體內徑同心,它們之間的不同軸度應小于0.05Db
儀表與法蘭之間的密封墊,在安裝時不能凸入管內,其內徑應比表體內徑大1-2mm
測壓孔和測溫孔的安裝設計。被測管道需要安裝溫度和壓力變送器時,測壓孔應設置在下游3-5D處,測溫孔應設置在下游6-8D處,見圖(七)。D為儀表公稱口徑,單位:mm
儀表在在管道上可以水平、垂直或傾斜安裝。
測量氣體時,在垂直管道安裝儀表,氣體流向不限。但若管道內含少量液體,為了防止液體進入儀表測量管,氣流應自下而上流動,如圖(四)a所示
測量液體時,為了保證管內充滿液體,所以在垂直或傾斜管道安裝儀表時,應該保證液體流動方向從下而上。若管道內含少量氣體,為了防止氣體進入儀表測量管,儀表應安裝在管線的較低處
如圖(四)b所示

測量高溫、低溫介質時,應注意保溫措施。轉換器內部(表頭殼體內)高溫一般不應超過70℃;低溫易使轉換器內部出現凝露,降低印制電路板的絕緣阻抗,影響儀表正常工作。

天然氣流量計量表的工作原理
渦街流量計是由設計在流場中的旋渦發生體、檢測探頭及相應的電子線路等組成。當流體流經旋渦發生體時,它的兩側就形成了交替變化的兩排旋渦,這種旋渦被稱為卡門渦街。

斯特羅哈爾在卡門渦街理論的基礎上又提出了卡門渦街的頻率與流體的流速成正比,并給出了頻率與流速的關系式:
f = St × V/d
式中:f 渦街發生頻率 (Hz)
V旋渦發生體兩側的平均流速(m/s )
St 斯特羅哈爾系數(常數)
d-旋渦發生體的寬度 (m)
由此可見,通過測量卡曼渦街分離頻率便可算出瞬時流量。其中,斯特羅哈爾數(St)是無因次未知數,
圖(二)表示斯特勞哈爾數(St)與雷諾數(Re)的關系。

這些交替變化的旋渦就形成了一系列交替變化的負壓力,該壓力作用在檢測探頭上,便產生一系列交變電信號,經過前置放大器轉換、整形、放大處理后,輸出與旋渦同步成正比的脈沖頻率信號或標準信號。
在流體管道中,垂直插入—個柱形阻擋物,在其后部(相對于流體流向)兩側就會交替地產生旋渦。隨著流體向下游流動形成旋渦列,我們稱之為卡門渦街。我們把產生旋渦的柱形阻擋物定義為旋渦發生體在一定條件下旋渦的分離頻率與流體的流速成線性關系。因而,只要檢測出旋渦分離的頻率,即可計算出管道內流體的流速或流量。
天然氣流量計量表產品優勢
1、表體中同時集成溫壓補償補償功能,可測量流體的標準體積流量或標準質量流量。
2、全智能化、數字化電路設計,可自動補償被測流體密度或標況體積計算。
3、全新的數字濾波和修正功能使流量測量更加精準可靠。
4、電池供電型無需外接電源既可連續工作兩年以上。
5、全新點陣漢字液晶顯示,使用操作更方便。

天然氣流量計量表安裝尺寸

下一篇:高壓天然氣流量計
上一篇:電池供電天然氣流量計

