鎧裝熱電偶
- 品*:JKM/凱銘儀表
- 型號:JKM-WR
- 測量范圍:0~1800℃
- 精度等級:±1.5℃或±0.25%t
- 公稱通徑:φ3~φ8
- 適用介質:液體 蒸汽 氣體
- 工作壓力:螺紋/法蘭/固定
- 工作溫度:0~1800℃
- 供電方式:24VDC
- 訂貨號:TAH637694IWL
鎧裝熱電偶產品概述
鎧裝熱電偶具有能彎曲、耐高壓、熱響應時間快和堅固耐用等許多優點,它和工業用裝配式熱電偶一樣,作為測量溫度的傳感器,通常和顯示儀表、記錄儀表和電子調節器配套使用,同時,亦可以作為裝配式熱電偶的感溫元件。它可以直接測量各種生產過程中從0℃~800℃范圍內的液體、蒸汽和氣體介質以及固體表面的溫度。(亦可提供外保護管材質Cr25Ni20、GH3030、GH3039、3YC-52,測溫范圍*高可達0-1200℃)

鎧裝熱電偶主要技術指標
1.測量范圍和準確度

注:(1)t為被測溫度的絕對值。
(2)T型分度號產品需與本公司方協商訂貨。
2.熱響應時間
在溫度出現階躍變化時,熱電偶的輸出變化至相當于該階躍變化的50%所需要的時間稱為熱響應時間,用τ0.5表示。
鎧裝熱電偶熱響應時間不大于下表的規定:

3.絕緣電阻
當周圍空氣溫度為20±15℃,相對濕度不大于80%時,絕緣型鎧裝熱電偶的偶絲與外套管之間的絕緣電阻應符合下表的規定。

4.鎧裝熱電偶外徑和名義長度標準規格

注:①直徑φ3mm絕緣式鎧裝熱電偶名義總長L不得大于10000mm。
②鎧裝熱電偶直徑d≤φ5mm,并裝有防濺式或防水式接線盒的產品,熱電偶露出設備部分。用戶在安裝時必須加裝支架等輔助支撐,增加其剛度,確保緊固,防止接線盒受振動而引起搖擺,損壞熱電偶。
③直徑φ2mm鎧裝熱電偶須和本公司協商訂貨。
鎧裝熱電偶型號表示

鎧裝熱電偶工作原理
鎧裝熱電偶的工作原理是由兩種不同成份的導體兩端經焊接、形成回路,直接測溫端叫測量端,接線端子端叫參比端。當測量端和參比端存在溫差時,就會在回路中產生熱電勢,接上顯示儀表,儀表上就指示出熱電偶所產生的熱電動勢的對應溫度值。
鎧裝熱電偶的熱電動勢將隨著測量端溫度升高而增長,熱電動勢的大小只和熱電偶導體材質以及兩端溫差有關,和熱電*的長度、直徑無關。
鎧裝熱電偶的結構是由導體、絕緣氧化鎂和1Cr18Ni9Ti不銹鋼保護管多次拉制而成。鎧裝熱電偶產品主要由接線盒、接線端子和鎧裝熱電偶組成基本結構,并配以各種固定裝置組成。
鎧裝熱電偶結構
1.鎧裝熱電偶材料結構形式

2.測量端(熱端)結構形式

3.安裝固定形式
固定裝置是供用戶安裝使用。除了無固定裝置產品外,鎧裝熱電偶固定裝置有:固定卡套式、可動卡套式、固定卡套法蘭式、可動卡套法蘭式四種結構形式。固定卡套式供用戶一次性固定;可動卡套式用戶可多次固定。
卡套螺紋接頭

注:括號內的數字規格一般不予采用,如需要作特殊規格訂貨。
卡套法蘭盤

注:括號內的數字規格一般不予采用,僅用于特殊訂貨。
為了適應不同行業對固定法蘭盤焊接結構、尺寸不同的需求,本公司決定增加三種不同焊接方式不同形式密封的固定法蘭安裝盤,具體請參照裝配式熱電偶附表中d=1~8和表三中的型號。
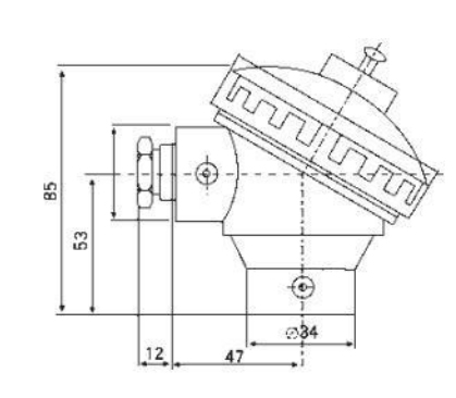
4.鎧裝熱電偶自由端(接線盒)形式
接線盒供連接熱電偶的自由端和顯示儀表之用,目前有簡易式、防濺式、防水式、手柄式、小接線盒式、接插式、補償導線式多種結構形式。
簡易式

防水式

手柄式

小接線盒式

鎧裝熱電偶安裝方式


